View Issue Details
| ID | Project | Category | View Status | Date Submitted | Last Update |
|---|---|---|---|---|---|
| 0000132 | CaseTalk Modeler | Transformation (GLR) | public | 2012-08-29 14:01 | 2024-03-13 09:37 |
| Reporter | Marco Wobben | Assigned To | Marco Wobben | ||
| Priority | normal | Severity | feature | Reproducibility | sometimes |
| Status | assigned | Resolution | open | ||
| Target Version | 14.x | ||||
| Summary | 0000132: Recursive structures must be doped | ||||
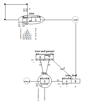
| Description | Doping a recursive structure in FCO-IM is required to generate a database table for it. This is to be done manually, however could be automated using an artificial key. | ||||
| Steps To Reproduce | E.g.:"A\A\A\Z"Implemented as table: id name parentid 1 A - 2 A 1 3 A 2 4 Z 3This requires an automated step which introduces the artificial key and extra key which performs the self reference. | ||||
| Additional Information | Or as:path name parentid 1 A - 1.1 A 1 1.1.1 A 1.1 1.1.1.1 Z 1.1.1 | ||||
| Tags | No tags attached. | ||||
| Attached Files | |||||
| CaseTalk Edition | |||||
| related to | 0004144 | resolved | Marco Wobben | Recursive lexicalization error |
| related to | 0003171 | assigned | Marco Wobben | Edit recursive population |
| All roles which have this recursion as a playedby otft, must be rerouted to the new artificial key. And the self reference must also be altered to refer to the artificial key. Naturally the logical keys must remain to make the references readable. | |
| Every parentid must exist in id (or path). | |
| Date Modified | Username | Field | Change |
|---|---|---|---|
| 2012-08-29 14:01 | Marco Wobben | New Issue | |
| 2012-08-29 14:01 | Marco Wobben | Status | new => assigned |
| 2012-08-29 14:01 | Marco Wobben | Assigned To | => Marco Wobben |
| 2012-08-29 16:09 | Marco Wobben | File Added: doped.png | |
| 2016-01-20 12:56 | Marco Wobben | Category | GLR => Transformation (GLR) |
| 2016-01-20 13:00 | Marco Wobben | Category | Transformation (GLR) => Model Transformation (GLR) |
| 2017-11-20 17:56 | Marco Wobben | Steps to Reproduce Updated | |
| 2017-11-20 17:57 | Marco Wobben | Target Version | Future => 9.0 |
| 2017-11-20 17:58 | Marco Wobben | Note Added: 0001058 | |
| 2018-02-10 11:03 | Marco Wobben | Target Version | 9.0 => Future |
| 2020-04-19 09:25 | Marco Wobben | Category | Model Transformation (GLR) => Transformation (GLR) |
| 2021-02-26 17:31 | Marco Wobben | Additional Information Updated | |
| 2021-10-06 11:43 | Marco Wobben | Target Version | Future => 13.0.1 |
| 2021-10-21 13:53 | Marco Wobben | Additional Information Updated | |
| 2021-10-21 14:17 | Marco Wobben | Relationship added | related to 0003171 |
| 2021-12-21 16:25 | Marco Wobben | Note Added: 0002134 | |
| 2023-08-23 11:43 | Marco Wobben | Relationship added | related to 0004144 |
| 2023-10-25 11:38 | Marco Wobben | Target Version | 13.0.1 => 13.3 |
| 2024-03-13 09:37 | Marco Wobben | Target Version | 13.3 => 14.x |